產品介紹
臥式雙軸型齒輪減速機首選城邦精工!23年臺灣齒輪馬達制造經驗品質保證!臺灣,江蘇,東莞三地設廠為您打造高品質齒輪減速機,剎車馬達,剎車電機,減速電機;客服:400-8833-185.特點:動力足!散熱好!精度高!防粉塵防漏油效果好!已通過CCC,CE認證,國際品質認證!
產品詳細說明
此款產品根據速比及功率的不同可分為18、22、28、32、40、50六大類型,功率有100W、200W、400W、750W、1500W、2200W、3700W共7種。根據安裝方式有H0(正立)、H3(左側)、H6(倒裝)、H9(右側)、HU(軸向上)、HD(軸向下)六種(下圖所示)。在選購時應注意提供正確安裝方式,這關系到透氣孔開設位置,如有誤則會導致安裝后潤滑油泄漏。
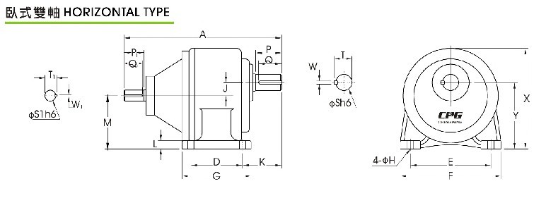
(一)下圖為臥式雙軸齒輪減速器PCHD詳細外型尺寸參數:
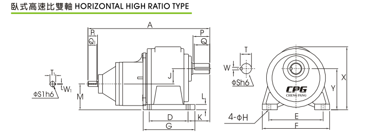
(二)下圖為CHD 臥式雙軸型高速比齒輪減速機詳細外型尺寸參數:
感謝您關注城邦臥式雙軸型齒輪減速機!
城邦減速電機和齒輪減速機特點如下:
·采用高品質全銅線圈,動力更足!
·鋁合金外殼重量更輕,散熱更好!
·齒輪、齒軸經精密滾齒加工,精度更高!
·采用瑞典SKF或同等級精密軸承,運轉更順暢!
·采用IP-55鋁制接線盒,防水性更好。
·采用高品質密封件和先進工藝,防粉塵防漏油效果更好!
更多關于城邦臥式雙軸型齒輪減速機圖片/選型/價格/及城邦臥式雙軸型齒輪減速機接線圖/維修保養/使用說明...等等方面的資訊,歡迎咨詢城邦電機國內客服專線:400-8833-185.熱情為您服務!
帶*項為必填項目咨詢:臥式雙軸型齒輪減速機
| * 聯系人: | 請填寫您的真實姓名 |
| * 手機號碼: | 請填寫您的真實手機 |
| E-mail: | |
| 公司名稱: | |
| 聯系地址: | |
| *訂購意向: | |
| * 驗證碼: | |



